BR-VDI-20-30-40 Räumwerkzeughalter

BR-VDI-20-30-40 Räumwerkzeughalter

Für alle Räumwerkzeuge mit Anschlagfläche an Schulter

  • VDI 3425-2 / DIN 69880

Passende Räumwerkzeuge:

6-Kant Räumwerkzeuge

Torx Räumwerkzeuge

4-Kant Räumwerkzeuge

Räumwerkzeuge mit Zollmaßen

Für die Auswahl der passenden Räumwerkzeuge bitte Ø beachten!



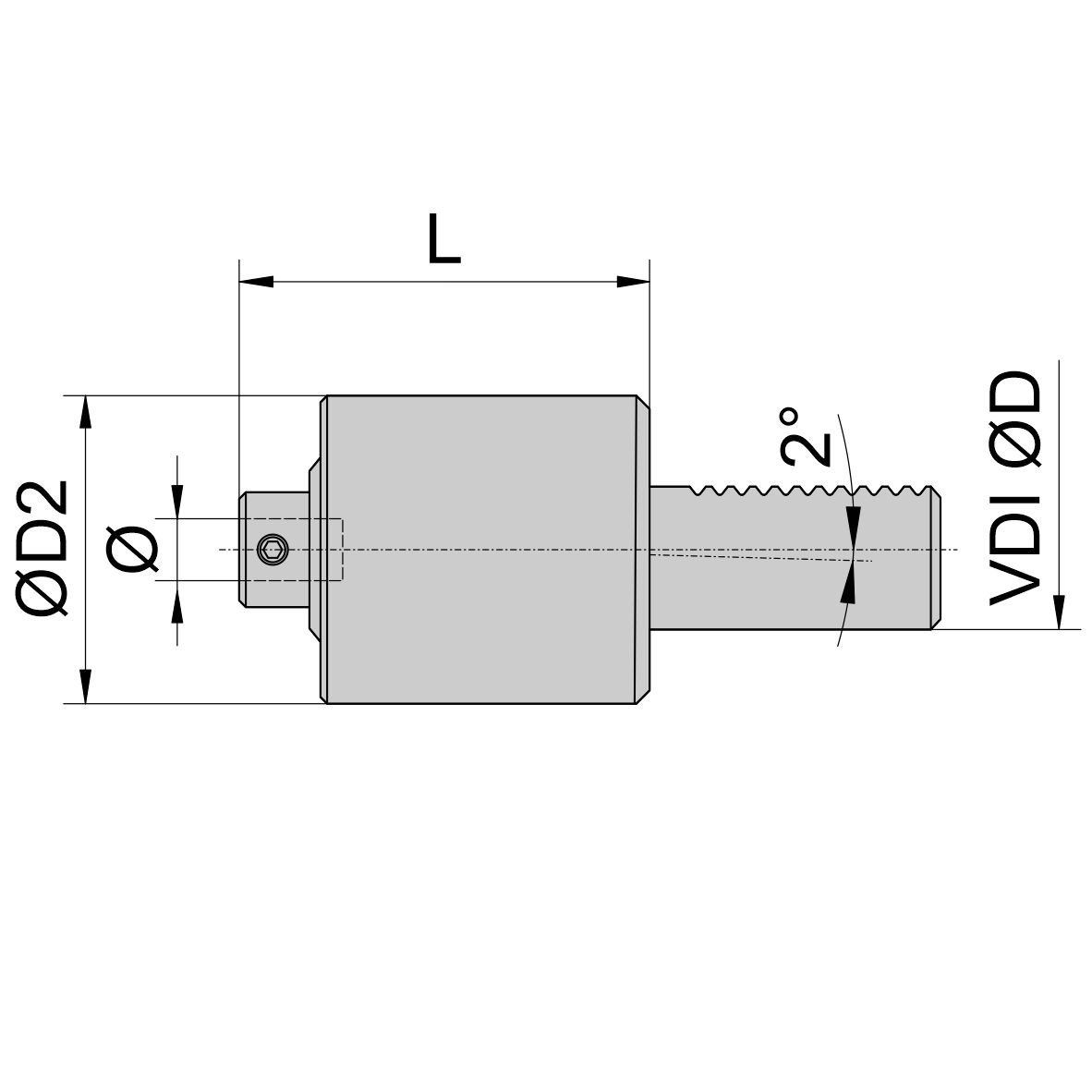
Bezeichnung Artikel-Nr. Ø VDI ØD ØD2 L Für Stempel In Warenkorb
BR-G12-VDI20 129440 12 VDI 20 58 78 Ø12 x 25

Stk.
BR-G12-VDI30 133643 12 VDI 30 58 78 Ø12 x 25

Stk.
BR-G16-VDI30 178563 16 VDI 30 70 95 Ø16 x 25

Stk.
BR-G16L-VDI40 162910 16 VDI 40 90 105 Ø16 x 45

Stk.