Serie 142
Serie 142
Serie 142
Serie 142
Serie 142
Serie 142
Serie 142
Serie 142

Zeus Rändelformwerkzeug 142

Exzellent für axiale Profilierung und Anwendungen bis an den Bund

  • Rändelräder über Hartmetall-Bundbolzen fixiert
  • Modulare Ausführung: Werkzeug als Rechts- und Linksversion einsetzbar, Umrüstung durch einfaches Drehen des Rändelkopfes
  • Rändelkopf mit flexibler Zentrierung
  • Gewindestifte im Schaft zur Freiwinkelkorrektur

Weitere Varianten auf Anfrage erhältlich.

Werkzeuge der Serie 142 können durch Austausch des Rändelkopfes ab einer Schaftgröße von 16 x 16 mm auf Serie 141 umgebaut werden und umgekehrt.

Passende Rändelräder:

Rändelprofile am Werkstück DIN 82:

Einstich- / Längsrändelung

Rändelprofile am Werkstück DIN 82: Einstich- / Längsrändelung



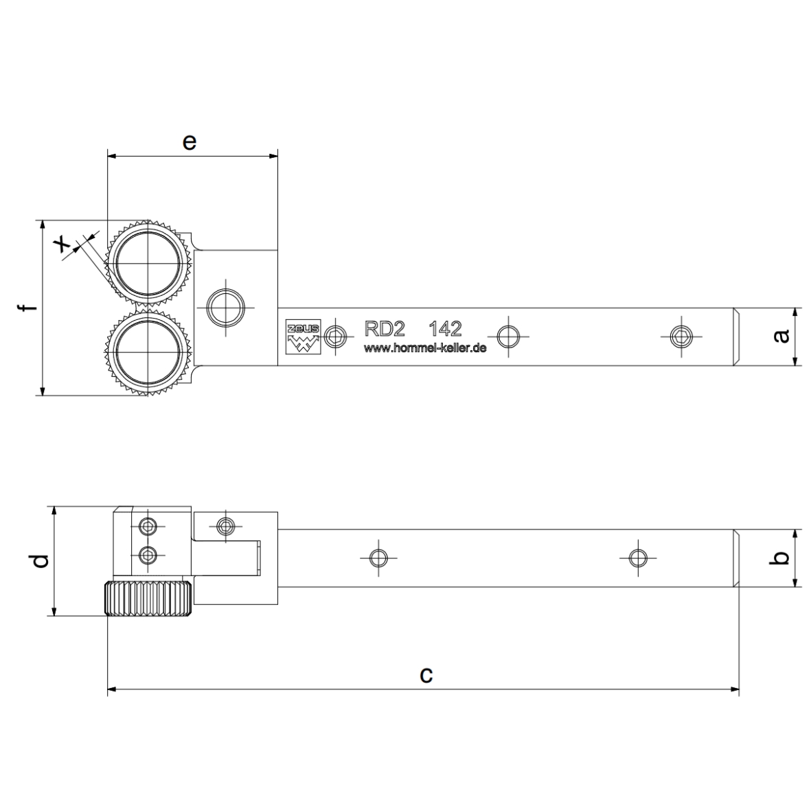
Bezeichnung Artikel-Nr. Arbeitsbereich Ø a b c d e f x Rändelräder (Ø x b x b) In Warenkorb
142-10M150606A11-VS-A 31002801 3-40 10 10 110 19 30 30,4 1,5 15 x 6 x 6A11

Stk.
142-12M150606A11-VS-A 31002803 3-40 12 12 110 19 30 30,4 1,5 15 x 6 x 6A11

Stk.
142-16M150606A11-A 31000751 6-60 16 16 119 19 39 33 1,5 15 x 6 x 6A11

Stk.
142-20M200806A13-A 31000752 10-110 20 20 130 24 50 42 2,4 20 x 8 x 6A13

Stk.
142-25M200806A13-A 31000753 10-110 25 20 130 24 50 46 2,4 20 x 8 x 6A13

Stk.