Series 291
Series 291
Series 291
Series 291

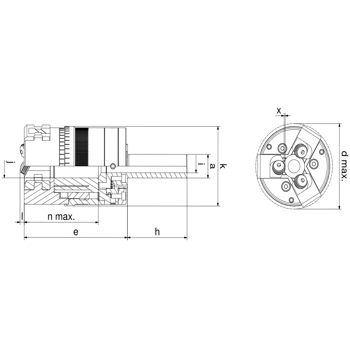
Zeus Cut Knurling Tool 291

Maximum stability for exact precision – ideal for thin-walled workpieces

  • Easy and precise fine adjustment
  • Modular exchangeable knurl holder jaws for conversion to a form knurling tool 191 / 192 (knurling up to a shoulder)
  • Coated carbide bearing bushes for improved antifrictional property

Other variants available on request.

Suitable knurling wheels:

Knurling profiles on DIN 82 workpiece:

Feed knurling

Knurling profiles on DIN 82 workpiece: Feed knurling



Description Article No. Working area Ø a Ø d max. Ø e h i Ø j Ø k Ø l n max. x Ø Knurling wheels (Ø x b x b) In cart
291-12M100306-B 31001946 3,5-13,5 12 57 78 45 9 16 54 3 56 1 10 x 3 x 6

Pc.